
目前除中國外,設備已向菲律賓、澳大利亞、新西蘭、馬來西亞、新加坡、印度尼西亞、智利、墨西哥、哥斯達黎加、巴西、阿根廷、哥倫比亞、南非、尼日利亞、沙特阿拉伯、迪拜、西班牙、意大利等國家出口了各種型號的風冷螺桿式冷水機組,制冷量從50噸、60噸、85噸、100噸、120噸、180噸、200噸到550噸不等。
作為風冷渦旋式冷水機組供應商的領軍企業,邁格貝特不僅能提供標準配置的風冷渦旋式冷水機組,還能提供一些其他定制化的風冷冷水機組。




低溫風冷渦旋冷水機參數

強力優勢:
1.全系列風冷冷水機組的制冷量為2.7KW至168KW,水溫控制范圍為7℃至30℃,水溫穩定性為+/-0.1℃至+/-2℃。
2.設計和制造的風冷式冷水機組有3或4個制冷劑回路,適用于從MG-30C(D)到MG-60C(F)的空氣冷卻器型號,出于冷水機組安全和節能的考慮,每個電路都可以獨立工作或停止。
3.風冷冷水機組由渦旋壓縮機、風冷冷凝器、內置水泵和水箱組成,構成完整的壓縮制冷和水冷系統。
4.對于渦旋壓縮機品牌,邁格貝特使用美國的科普蘭、法國的丹佛斯和日本的松下。所有渦旋式壓縮機均具有出色的冷卻能力,具有壓縮機內部保護和節能功能。
5.對于標準風冷冷水機組蒸發器,我們采用帶盤管的304#不銹鋼水箱,但也可提供不銹鋼板式換熱器和閉環管殼式換熱器。
6.它是一種高效耐用的風冷式冷凝器,采用鋁制翅片銅管和大風量冷卻風扇。
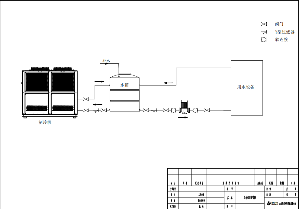
冷水機流程原理圖

冷水機適用行業:



山東邁格貝特機械有限公司成立于2010年,主要從事工業制冷機、制冷機組等制冷設備的研發和制造。經過十多年的創新發展,我們先后通過了ISO9001質量體系和CE認證的檢驗和測試,接受了BV、SGS等第三方認證機構的檢驗。在2025年獲得了“國家高新技術企業”、“專精特新企業”等企業榮譽。并逐步發展成為一家致力于一站式制冷解決方案制造商。

“專業鑄就品質,科技創造價值”邁格貝特期待與您有溫度的合作:400-606-5920!